XK系列
XK系列连接器
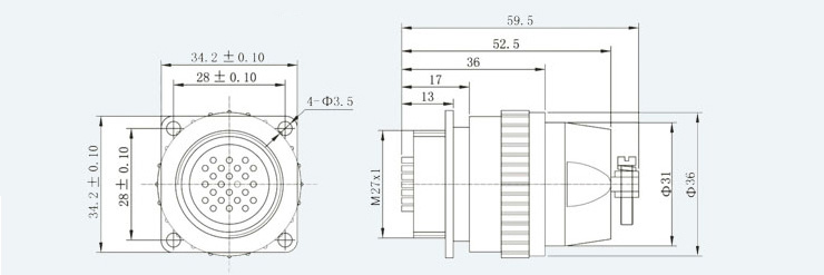
XK系列小圆形卡口式电连接器,插头与插座采用卡口连接方式,连接与分离简便迅速,广泛用于航空及其它军用、民用领域中高温环境条件下工作的电气线路的电连接,军用设备及导弹反射架的电气、冷气管气路间的连接。X...
  • 产品详情

XK系列小圆形卡口式电连接器,插头与插座采用卡口连接方式,连接与分离简便迅速,广泛用于航空及其它军用、民用领域中高温环境条件下工作的电气线路的电连接,军用设备及导弹反射架的电气、冷气管气路间的连接。



使用条件及主要性能

工作温度:-55°C-+150°C

相对湿度:温度为40°C,达98%
振动:频率10-2000HZ,加速度98m/s2

恒加速度振动:加速度达245m/s2
大气压力:达2.3KPa

机械寿命:500次