产品详情
DFS系列圆形电连接器是大发公司自行研制的圆形电连接器,其连接方式有卡扣式和螺纹式。其中卡扣式符合GJB101A-1997,耐环境快速分离小圆形电连接器总规范,其连接方式采用卡口连接,接触件端接形式为焊接,产品具有快速连接和分离,体积小,密度高,耐环境好、可靠性高等特点。螺纹式符合GJB600-1988,螺纹连接圆形电连接器总规范。其连接方式采用螺纹连接,接触件端接形式为焊接,产品可靠性好,互换性强。广泛用于工业行业,能够满足不同客户的需求。
使用条件及主要性能:
工作温度:-55 — +125 ℃
工作气压:101.33KPa — 4.39KPa
相对湿度:90% — 95%(40±2℃)
振 动:10 — 2000Hz,加速度196m/s²
安装板绝缘体:热塑性塑料;
耐盐雾:48h;
防水等级:IP65级;
壳体材料:铝合金;
表面处理:铝合金表面喷砂镀铬;
接触件:铜合金(镀金);
机械寿命:500次;
产品标记示例:
插头标记示例

外形尺寸示意:
TQ:直式电缆插头

|
类型 Type |
外形及出线口尺寸 |
||
|
|
A |
B |
L |
|
DF14 |
22.4 |
5.5 |
52 |
|
DF16 |
24 |
7.3 |
58 |
|
DF18 |
28 |
7.3 |
58 |
|
DF20 |
28.2 |
9 |
63 |
|
DF22 |
30.2 |
9 |
68 |
|
DF24 |
34 |
9 |
68 |
|
DF28 |
37.4 |
10.5 |
72 |
TS:弯式电缆插头

|
类型 Type |
外形及出线口尺寸 |
|||
|
|
A |
B |
L |
H |
|
DF16 |
24 |
7.3 |
47 |
47 |
|
DF20 |
28.2 |
9 |
52 |
52 |
|
DF24 |
34 |
9 |
57 |
57 |
|
DF28 |
37.4 |
10.5 |
63 |
63 |
TP:直式夹爪插头

|
类型 Type |
外形及出线口尺寸 |
||
|
|
A |
B |
L |
|
DF16 |
24 |
9 |
55 |
|
DF20 |
28.2 |
11 |
60 |
|
DF24 |
34 |
11 |
65 |
|
DF28 |
37.4 |
12.5 |
70 |
TR:弯式夹爪插头

|
类型 Type |
外形及出线口尺寸 |
|||
|
|
A |
B |
L |
H |
|
DF16 |
24 |
9 |
47 |
45 |
|
DF20 |
28.2 |
11 |
52 |
50 |
|
DF24 |
34 |
11 |
57 |
55 |
|
DF28 |
37.4 |
12.5 |
63 |
60 |
TE:直式金属软管插头

|
类型 Type |
外形及出线口尺寸 |
||
|
|
A |
B |
L |
|
DF16 |
24 |
10.5 |
45 |
|
DF20 |
28.2 |
12 |
50 |
|
DF24 |
34 |
12 |
55 |
|
DF28 |
37.4 |
14 |
60 |
TU:弯式金属软管插头

|
类型 Type |
外形及出线口尺寸 |
|||
|
|
A |
B |
L |
H |
|
DF16 |
24 |
10.5 |
47 |
40 |
|
DF20 |
28.2 |
12 |
52 |
44 |
|
DF24 |
34 |
12 |
57 |
48 |
|
DF28 |
37.4 |
14 |
63 |
53 |
Z:快速连接插座


|
类型 type |
外形及安装尺寸 |
|||||||
|
|
A |
B |
C |
D |
E |
F |
G |
H |
|
DFY14 |
24 |
17 |
3.2 |
13.9 |
14 |
26.5 |
16 |
14.5 |
|
DFY16 |
26 |
20 |
3.2 |
15.9 |
14.5 |
27.5 |
18 |
16.5 |
|
DFY18 |
27 |
20 |
3.5 |
17.9 |
14.5 |
27.5 |
21 |
18.5 |
|
DFY20 |
29 |
22 |
3.2 |
19.8 |
14.5 |
27.5 |
21.7 |
20.5 |
|
DFY22 |
30 |
23 |
3.2 |
21.8 |
11.5 |
24.5 |
23.8 |
22.5 |
|
DFY24 |
32 |
26 |
3.2 |
23.8 |
14.5 |
27.5 |
25.7 |
24.5 |
|
DFY28 |
36 |
30 |
3.2 |
27.5 |
14.5 |
27.5 |
29.5 |
28.5 |
Z:螺纹连接插座


|
类型 type |
外形及安装尺寸 |
|||||||
|
|
A |
B |
C |
D |
E |
F |
M |
H |
|
DFS14 |
24 |
17 |
3.2 |
13.9 |
14 |
26.5 |
M16×1.0 |
14.5 |
|
DFS16 |
26 |
20 |
3.2 |
15.9 |
14.5 |
27.5 |
M18×1.0 |
16.5 |
|
DFS18 |
27 |
20 |
3.5 |
17.9 |
14.5 |
27.5 |
M21×1.0 |
18.5 |
|
DFS20 |
29 |
22 |
3.2 |
19.8 |
14.5 |
27.5 |
M22×1.0 |
20.5 |
|
DFS22 |
30 |
23 |
3.2 |
21.8 |
11.5 |
24.5 |
M24×1.0 |
22.5 |
|
DFS24 |
32 |
26 |
3.2 |
23.8 |
14.5 |
27.5 |
M26×1.0 |
24.5 |
|
DFS28 |
36 |
30 |
3.2 |
27.5 |
14.5 |
27.5 |
M30×1.0 |
28.5 |
四、绝缘安装板孔位排列








ZMQ:快速连接直式电缆圆座

|
类型 type |
外形及安装尺寸 Dimensions |
|||
|
|
B |
D |
G |
L |
|
DF14 |
5.5 |
20 |
16 |
50 |
|
DF16 |
7.3 |
22 |
18 |
50 |
|
DF18 |
7.3 |
24 |
21 |
54 |
|
DF20 |
9 |
26 |
21.7 |
54 |
|
DF22 |
9 |
28 |
23.8 |
59 |
|
DF24 |
9 |
30 |
25.7 |
59 |
|
DF28 |
10.5 |
34 |
29.5 |
65 |
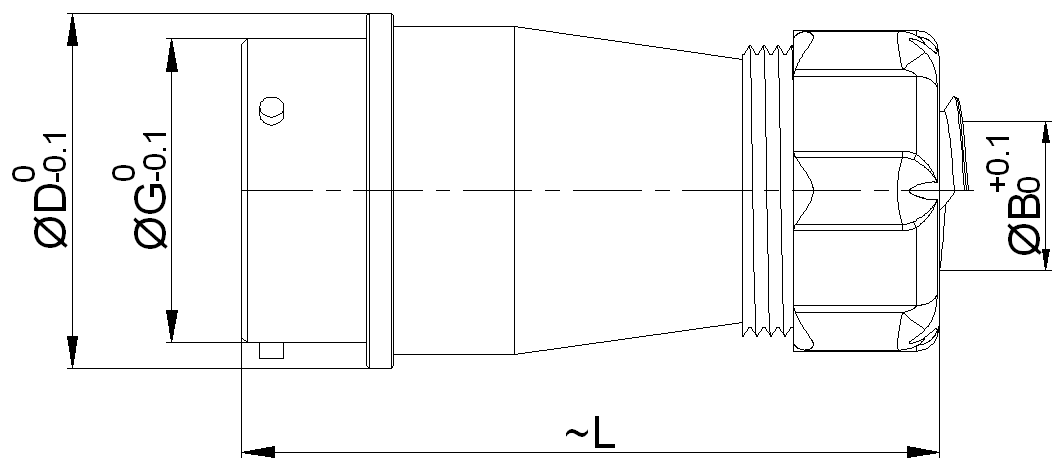
ZMQ:螺纹连接直式电缆圆座

|
类型 type |
外形及安装尺寸 Dimensions |
|||
|
|
B |
D |
M |
L |
|
DF14 |
5.5 |
20 |
M16×1.0 |
50 |
|
DF16 |
7.3 |
22 |
M18×1.0 |
50 |
|
DF18 |
7.3 |
24 |
M21×1.0 |
54 |
|
DF20 |
9 |
26 |
M22×1.0 |
54 |
|
DF22 |
9 |
28 |
M24×1.0 |
59 |
|
DF24 |
9 |
30 |
M26×1.0 |
59 |
|
DF28 |
10.5 |
34 |
M30×1.0 |
65 |
ZMS:快速连接弯式电缆圆座

|
类型 type |
外形及安装尺寸 Dimensions |
||||
|
|
B |
D |
G |
H |
L |
|
DF16 |
7.3 |
22 |
18 |
47 |
52 |
|
DF20 |
9 |
26 |
21.7 |
52 |
57 |
|
DF24 |
9 |
30 |
25.7 |
57 |
59 |
|
DF28 |
10.5 |
34 |
29.5 |
63 |
61 |
ZMS:螺纹连接弯式电缆圆座

|
类型 type |
外形及安装尺寸 Dimensions |
||||
|
|
B |
D |
M |
H |
L |
|
DF16 |
7.3 |
22 |
M18×1.0 |
47 |
52 |
|
DF20 |
9 |
26 |
M22×1.0 |
52 |
57 |
|
DF24 |
9 |
30 |
M26×1.0 |
57 |
59 |
|
DF28 |
10.5 |
34 |
M30×1.0 |
63 |
61 |
ZMP:快速连接直式夹爪圆座

|
类型 type |
外形及安装尺寸 Dimensions |
|||
|
|
B |
D |
G |
L |
|
DF16 |
7.3 |
22 |
18 |
49 |
|
DF20 |
9 |
26 |
21.7 |
54 |
|
DF24 |
9 |
30 |
25.7 |
59 |
|
DF28 |
10.5 |
34 |
29.5 |
64 |
ZMP:螺纹连接直式夹爪圆座

|
类型 type |
外形及安装尺寸 Dimensions |
|||
|
|
B |
D |
M |
L |
|
DF16 |
7.3 |
22 |
M18×1.0 |
49 |
|
DF20 |
9 |
26 |
M22×1.0 |
54 |
|
DF24 |
9 |
30 |
M26×1.0 |
59 |
|
DF28 |
10.5 |
34 |
M30×1.0 |
64 |
ZMR:快速连接弯式夹爪圆座

|
类型 type |
外形及安装尺寸 Dimensions |
||||
|
|
B |
D |
G |
H |
L |
|
DF16 |
7.3 |
22 |
18 |
47 |
52 |
|
DF20 |
9 |
26 |
21.7 |
52 |
57 |
|
DF24 |
9 |
30 |
25.7 |
57 |
59 |
|
DF28 |
10.5 |
34 |
29.5 |
63 |
61 |
ZMR:螺纹连接弯式夹爪圆座

|
类型 type |
外形及安装尺寸 Dimensions |
||||
|
|
B |
D |
M |
H |
L |
|
DF16 |
7.3 |
22 |
M18×1.0 |
47 |
52 |
|
DF20 |
9 |
26 |
M22×1.0 |
52 |
57 |
|
DF24 |
9 |
30 |
M26×1.0 |
57 |
59 |
|
DF28 |
10.5 |
34 |
M30×1.0 |
63 |
61 |
ZME:快速连接直式金属软管圆座

|
类型 type |
外形及安装尺寸 Dimensions |
|||
|
|
B |
D |
G |
L |
|
DF16 |
7.3 |
22 |
18 |
49 |
|
DF20 |
9 |
26 |
21.7 |
54 |
|
DF24 |
9 |
30 |
25.7 |
59 |
|
DF28 |
10.5 |
34 |
29.5 |
64 |
ZME:螺纹连接直式金属软管圆座

|
类型 type |
外形及安装尺寸 Dimensions |
|||
|
|
B |
D |
M |
L |
|
DF16 |
7.3 |
22 |
M18×1.0 |
49 |
|
DF20 |
9 |
26 |
M22×1.0 |
54 |
|
DF24 |
9 |
30 |
M26×1.0 |
59 |
|
DF28 |
10.5 |
34 |
M30×1.0 |
64 |
ZMU:快速连接弯式金属软管圆座

|
类型 type |
外形及安装尺寸 Dimensions |
||||
|
|
B |
D |
G |
H |
L |
|
DF16 |
7.3 |
22 |
18 |
47 |
52 |
|
DF20 |
9 |
26 |
21.7 |
52 |
57 |
|
DF24 |
9 |
30 |
25.7 |
57 |
59 |
|
DF28 |
10.5 |
34 |
29.5 |
63 |
61 |
ZMU:螺纹连接弯式金属软管圆座

|
类型 type |
外形及安装尺寸 Dimensions |
||||
|
|
B |
D |
M |
H |
L |
|
DF16 |
7.3 |
22 |
M18×1.0 |
47 |
52 |
|
DF20 |
9 |
26 |
M22×1.0 |
52 |
57 |
|
DF24 |
9 |
30 |
M26×1.0 |
57 |
59 |
|
DF28 |
10.5 |
34 |
M30×1.0 |
63 |
61 |
ZQ:快速连接直式电缆方座

|
类型 type |
外形及安装尺寸 Dimensions |
|||||
|
|
A |
B |
C |
D |
G |
L |
|
DF14 |
24 |
17 |
3.2 |
5.5 |
16 |
50 |
|
DF16 |
26 |
20 |
3.2 |
7.3 |
18 |
50 |
|
DF18 |
27 |
20 |
3.5 |
7.3 |
21 |
54 |
|
DF20 |
29 |
22 |
3.2 |
9 |
21.7 |
54 |
|
DF22 |
30 |
23 |
3.2 |
9 |
23.8 |
59 |
|
DF24 |
32 |
26 |
3.2 |
9 |
25.7 |
59 |
|
DF28 |
36 |
30 |
3.2 |
10.5 |
29.5 |
65 |
ZQ:螺纹连接直式电缆方座

|
类型 type |
外形及安装尺寸 Dimensions |
|||||
|
|
A |
B |
C |
D |
M |
L |
|
DF14 |
24 |
17 |
3.2 |
5.5 |
M16×1.0 |
50 |
|
DF16 |
26 |
20 |
3.2 |
7.3 |
M18×1.0 |
50 |
|
DF18 |
27 |
20 |
3.5 |
7.3 |
M21×1.0 |
54 |
|
DF20 |
29 |
22 |
3.2 |
9 |
M22×1.0 |
54 |
|
DF22 |
30 |
23 |
3.2 |
9 |
M24×1.0 |
59 |
|
DF24 |
32 |
26 |
3.2 |
9 |
M26×1.0 |
59 |
|
DF28 |
36 |
30 |
3.2 |
10.5 |
M30×1.0 |
65 |
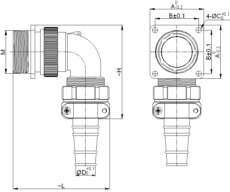
ZS:快速连接弯式电缆方座

|
类型 type |
外形及安装尺寸 Dimensions |
||||||
|
|
A |
B |
C |
D |
G |
H |
L |
|
DF16 |
26 |
20 |
3.2 |
7.3 |
18 |
49 |
52 |
|
DF20 |
29 |
22 |
3.2 |
9 |
21.7 |
54 |
57 |
|
DF24 |
32 |
26 |
3.2 |
9 |
25.7 |
59 |
59 |
|
DF28 |
36 |
30 |
3.2 |
10.5 |
29.5 |
65 |
61 |
ZS:螺纹连接弯式电缆方座

|
类型 type |
外形及安装尺寸 Dimensions |
||||||
|
|
A |
B |
C |
D |
M |
H |
L |
|
DF16 |
26 |
20 |
3.2 |
7.3 |
M18×1.0 |
49 |
52 |
|
DF20 |
29 |
22 |
3.2 |
9 |
M22×1.0 |
54 |
57 |
|
DF24 |
32 |
26 |
3.2 |
9 |
M26×1.0 |
59 |
59 |
|
DF28 |
36 |
30 |
3.2 |
10.5 |
M30×1.0 |
65 |
61 |
ZP:快速连接直式夹爪方座

|
类型 type |
外形及安装尺寸 Dimensions |
|||||
|
|
A |
B |
C |
D |
G |
L |
|
DF16 |
26 |
20 |
3.2 |
7.3 |
18 |
49 |
|
DF20 |
29 |
22 |
3.2 |
9 |
21.7 |
54 |
|
DF24 |
32 |
26 |
3.2 |
9 |
25.7 |
59 |
|
DF28 |
36 |
30 |
3.2 |
10.5 |
29.5 |
64 |
ZP:螺纹连接直式夹爪方座

|
类型 type |
外形及安装尺寸 Dimensions |
|||||
|
|
A |
B |
C |
D |
M |
L |
|
DF16 |
26 |
20 |
3.2 |
7.3 |
M18×1.0 |
49 |
|
DF20 |
29 |
22 |
3.2 |
9 |
M22×1.0 |
54 |
|
DF24 |
32 |
26 |
3.2 |
9 |
M26×1.0 |
59 |
|
DF28 |
36 |
30 |
3.2 |
10.5 |
M30×1.0 |
64 |
ZR:快速连接弯式夹爪方座

|
类型 type |
外形及安装尺寸 Dimensions |
||||||
|
|
A |
B |
C |
D |
G |
H |
L |
|
DF16 |
26 |
20 |
3.2 |
7.3 |
18 |
49 |
52 |
|
DF20 |
29 |
22 |
3.2 |
9 |
21.7 |
54 |
57 |
|
DF24 |
32 |
26 |
3.2 |
9 |
25.7 |
59 |
59 |
|
DF28 |
36 |
30 |
3.2 |
10.5 |
29.5 |
65 |
61 |
ZR:螺纹连接弯式夹爪方座

|
类型 type |
外形及安装尺寸 Dimensions |
||||||
|
|
A |
B |
C |
D |
M |
H |
L |
|
DF16 |
26 |
20 |
3.2 |
7.3 |
M18×1.0 |
49 |
52 |
|
DF20 |
29 |
22 |
3.2 |
9 |
M22×1.0 |
54 |
57 |
|
DF24 |
32 |
26 |
3.2 |
9 |
M26×1.0 |
59 |
59 |
|
DF28 |
36 |
30 |
3.2 |
10.5 |
M30×1.0 |
65 |
61 |
ZE:快速连接直式金属软管方座

|
类型 type |
外形及安装尺寸 Dimensions |
|||||
|
|
A |
B |
C |
D |
G |
L |
|
DF16 |
26 |
20 |
3.2 |
7.3 |
18 |
49 |
|
DF20 |
29 |
22 |
3.2 |
9 |
21.7 |
54 |
|
DF24 |
32 |
26 |
3.2 |
9 |
25.7 |
59 |
|
DF28 |
36 |
30 |
3.2 |
10.5 |
29.5 |
64 |
ZE:螺纹连接直式金属软管方座

|
类型 type |
外形及安装尺寸 Dimensions |
|||||
|
|
A |
B |
C |
D |
M |
L |
|
DF16 |
26 |
20 |
3.2 |
7.3 |
M18×1.0 |
49 |
|
DF20 |
29 |
22 |
3.2 |
9 |
M22×1.0 |
54 |
|
DF24 |
32 |
26 |
3.2 |
9 |
M26×1.0 |
59 |
|
DF28 |
36 |
30 |
3.2 |
10.5 |
M30×1.0 |
64 |
ZU:快速连接弯式金属软管方座

|
类型 type |
外形及安装尺寸 Dimensions |
||||||
|
|
A |
B |
C |
D |
G |
H |
L |
|
DF16 |
26 |
20 |
3.2 |
7.3 |
18 |
49 |
52 |
|
DF20 |
29 |
22 |
3.2 |
9 |
21.7 |
54 |
57 |
|
DF24 |
32 |
26 |
3.2 |
9 |
25.7 |
59 |
59 |
|
DF28 |
36 |
30 |
3.2 |
10.5 |
29.5 |
65 |
61 |
ZU:螺纹连接弯式金属软管方座

|
类型 type |
外形及安装尺寸 Dimensions |
||||||
|
|
A |
B |
C |
D |
M |
H |
L |
|
DF16 |
26 |
20 |
3.2 |
7.3 |
M18×1.0 |
49 |
52 |
|
DF20 |
29 |
22 |
3.2 |
9 |
M22×1.0 |
54 |
57 |
|
DF24 |
32 |
26 |
3.2 |
9 |
M26×1.0 |
59 |
59 |
|
DF28 |
36 |
30 |
3.2 |
10.5 |
M30×1.0 |
65 |
61 |