Product Details
J4 series rectangular printed board electrical connector is manufactured according to GJB1438A (MIL-C-55302) standard, which has good reliability, strong interchangeable performance, small volume and light weight. The socket is adapted a hyperbolic spring , J4D is a side slotted socket. 2.6mm× 3mm Non-standard gap. PCB immersion welding, welding and other terminating forms. This series of rectangular connectors are widely used in aerospace, aviation, electronics, weapons, ships, communications, computers and other industries of the equipment cabin electrical signal connection.
Working temperature:-55℃~+125℃
Relative humidity: 40 ℃, reach 95%
Rated voltage: 220V
Resistance voltage: Normal temperature 500V, wet heat 250V
Insulation resistance: Normal temperature ≥ 1000 MΩ
High temperature ≥ 500 MΩ
wet heat ≥ 50 MΩ
|
Contact diameter (mm) |
Contact resistance (Ω) |
Rated current (A) |
|
Φ0.8 |
≤0.007 |
3 |
Plastics: PBT ( Brown color)
Contact gap: 2.6mm gap(breadthways) 3.0mm(lengthways)
Vibration frequency is 10 Hz ≤ 50 Hz, the amplitude 1mm
Vibration frequency is 50 Hz ≤ 500 Hz, the acceleration 147m/s2
Vibration frequency is 500 Hz ≤ 2000 Hz, the acceleration 196m/s2
Shock: acceleration 980m/s2
Impact: acceleration 980m/ s2
Salt Spray: 48 h
Mechanical life:500 times
How to order:

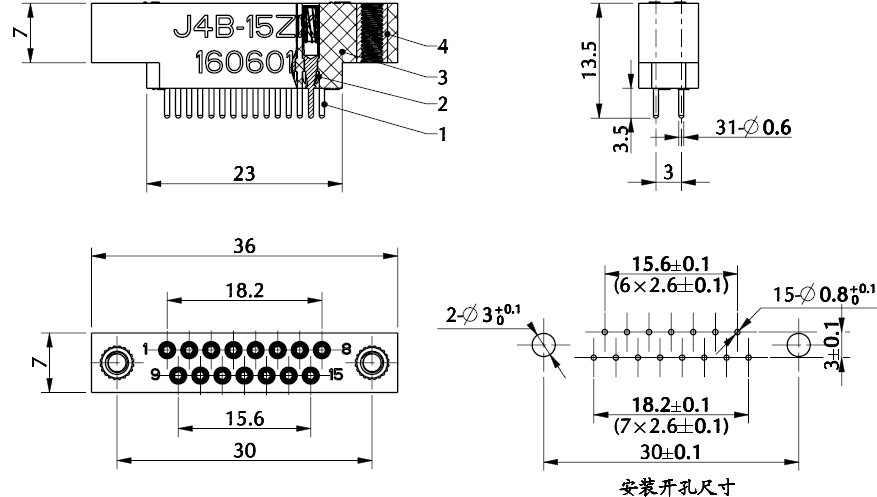
Dimensions:
J4B-15T/ J4B-15Z

